41pp Napisano 15 Luty 2011 Napisano 15 Luty 2011 Oczywiście KK1 i KF4, selektoda /KF3/ w N2 była niepotrzebna, brak ARW. Moja wina, błąd, to jak się pisze z niczego, czyli zgłowy",gmv
41pp Napisano 15 Luty 2011 Napisano 15 Luty 2011 Fakt, kołkowce" to były w produkcji Tungsrama, Mularda i Marconiego, czyli to mogły być wcześniejsze wersje?Natomiast KL1, nie egzystuje.gmv
fiku Napisano 15 Luty 2011 Napisano 15 Luty 2011 Niestety już widzę problemy ze współpracą RKB/C i N2/C.Modulacja taka sama, zakresy się częściowo pokrywają: 4800-6000kHz i 4750-6750kHz ale diabeł tkwi w szczegółach.Skale były nie w częstotliwościach tylko w numerach kanałów.W RKB/C kanały były numerowane od 1 co 30 kHz a w N2/C od 0 co 25 kHz. Dla fachowca żaden problem jak o tym wie ale dla przeciętnego pancerniaka już nie. Trzeba podawać inne kanały dla N2 inne dla RKB. Następny problem to zestawy kwarców dla RKB/C 5,04; 5,28; 5,52; 5,76; 6 kHz a dla N2/C 6; 5,5 kHz czyli tylko jeden się pokrywa.Teraz parę szczegółów które udało mi się z WT wyczytać:odbiornik RKB/C był zbudowany na lampach A415 czyli mógł jakąś pochodną ROD-a. Skala N2/C był identyczna jak w N2L/M.Istniały dwie wersje N2/C wz.37 i wz.38 (ja mam warunki do wz.38 które są tylko uzupełnieniem do wersji wcześniejszej w którym to WT pewnie są ciekawsze informacje).Co ciekawe w opisie RKB/C pisze że ma ona współpracować z innymi rodzajami wojsk wyposażonymi w radiostacje N2 (te są wyskalowane tak jak N2/C).Radiostacja N2/C była miała też układ pracy jako telefon wewnętrzny czołgu. Oprócz znanych z radiostacji N2 anten bambusowych 3,5m i 6m miała też antenę galeryjkową lub pionową krótka o długości 1,5m.
Gebhardt Napisano 15 Luty 2011 Napisano 15 Luty 2011 Jeśli zakres częstotliwości, był podobny, a był /1500- 6500 kHz/, a modulacja AM, A1, lub A2, to w czym problem?I tu pies pogrzebany, bo w niektorych przynajmniej starszych typach, zakres czestotliwosci sie nie pokrywal z nowymi. Dlatego np lotnictwo towarzyszace wyposazone w radiostacje RKL/D nialo zero lacznosci z oddzialami ktorym 'towarzyszylo'. W kazdym razie tyle Chamski - zaznaczam ze sie zero znam na technologii radiowej! Zreszta nie ja pisze ze RKB/c nie mogly sie polaczyc z N2 tylko ktos kto to probowal w praktyce!
fiku Napisano 15 Luty 2011 Napisano 15 Luty 2011 Wróć!!! Jest gorzej niż napisałem. W radiostacjach N2 numery kanałów idą co 25 kHz ale w dół od 6750kHz (kanał 0) a w RKB/C w górę co 30kHz od 4800kHz (kanał 1) więc mętlik zupełny.
41pp Napisano 15 Luty 2011 Napisano 15 Luty 2011 Ło Boże !! to nasi dycydenci" , nawet fal umownych" nie potrafili zunifikować! Taż toto nawet szminką" da się zrobić, lub papierek nakleić!Za co Nasi Wodzowie od łączności brali skarbowe" pieniądze?Teraz rozumiem dlaczego w 1939, było jak byłoPozdrawiamgmv
41pp Napisano 15 Luty 2011 Napisano 15 Luty 2011 UFF! Osłabiliście mnie Panowie, OBAJ, wszystkiego mogłem się spodziewać ale nie aż takiego b.....u.Pozdrawiamgmv
fiku Napisano 15 Luty 2011 Napisano 15 Luty 2011 Fale umowne zostały znormalizowane na poziomie sprzętu klasy N, pamiętaj że RKB to były urządzenie eksperymentalne z doświadczeń przy ich eksploatacji wyrosły dopiero radiostacje N. Natomiast gdy te urządzenia znalazły się we wrześniu w jednej jednostce problemy mogły być.Co do różnych zakresów pracy różnych urządzeń to wynika ona z różnych ich przeznaczeń - zasięgu działania i szczebla dowódczego jak też i zmiany koncepcji ich użycia w czasie.Wyglądało to mniej więcej tak:RKD 400-1200 dywizjaRKGA 200-500 armiaRKL/D 460-1200 lotnicza - do łączności z RKDN1 2250-6750 dywizja N2 2250-6750 batalionN2/C 4750-6750RKB/C 4800-6000S/C 6750-7750 kompaniaW2L/B 192-7300 lotnictwo bomboweW1 100-1000 naczelne dowództwo
41pp Napisano 15 Luty 2011 Napisano 15 Luty 2011 A możesz podać szacunkowe moce wyjściowe tych sprzętów, w antenie? Byłbym wdzięczny.Wiadomo że wojacy pracowali na antenach skróconych, czyli do dipola, jakieś 2-5% w porywach, sprawności promieniowania.gmv
fiku Napisano 15 Luty 2011 Napisano 15 Luty 2011 Mam tylko dane dla niektórych (CW i fonia):N1:90 65N2:5 2S/C:* 3W1:4000 2000RKGA:500Może dla porównania zasięgi w nocy (CW i fonia):RKD:70 10RKGA:300 150N1:50 30N2:25 15RKB/C:* 5*)brak danychZ tym że dane są brane z przeróżnych źródeł (instrukcje, WT, opisy - pewnie przy przeróżnych antenach) i nie wiem czy da się je tak wprost porównać.
Gebhardt Napisano 15 Luty 2011 Napisano 15 Luty 2011 Fiku mnie uprzedzil :)Warto dodac ze z korespondencji wynika ze i odbiornik i nadajnik w RKB/c byly projektu BBTWL (wzoru 34) gdy odbiornik w N2 byl porjektu PZTiR i istotnie sie roznil. Ciagle mam wrazenie ze uzywamy RKB i N2 jako okreslenie modelu i przez to robimy zupelnie nieuzasadnione zalozenia ze poniewaz RKB byla protoplasta N2 to RKB/c byla protoplasta N2/c. Nic podobnego. RKB/c byla radiostacja do czolgow TK, jak Fiku juz zauwazyl, prawdopodobnie wywodzaca sie rodowo z RKD/ROD. N2/c wz 36 i 38 to radiostacja zaprojektowana do czolgow 7TP, oparta przynajmniej w czesci o radiostacje N2L/M. RKB byla prototypem. RKB/c koncowym produktem.
41pp Napisano 15 Luty 2011 Napisano 15 Luty 2011 Z tym że dane są brane z przeróżnych źródeł (instrukcje, WT, opisy - pewnie przy przeróżnych antenach) i nie wiem czy da się je tak wprost porównać.Nie, raczej nie, pewną wskazówką może być, moc admisyjna lampy PA, ale i tak łamie" się to wszystko na antenie.DziękiPS. a jest gdzieś dostępna dokumentacja /schemat/ W1 ?gmv
41pp Napisano 15 Luty 2011 Napisano 15 Luty 2011 Chyba masz Panie Krzysztofie racje, to by tłumaczyło moje zafascynowanie cokołami kołkowymi", od 1934-36, weszły już ocznokontaktowe", za sprawą m/in. Philipsa.gmv
Gebhardt Napisano 15 Luty 2011 Napisano 15 Luty 2011 Trudno akurat o ten stan rzeczy winic naszych dowodcow lacznosci. Nie oni decydowali o kwotach wydawanych na lacznosc i kolejnosci wyposazenia. Nie oni tez narzucili koncepcje ze MPiT w wypadku wojny zapewni lacznosc NW - dywizja wlacznie, cywilna siecia telefoniczna i telegraficzna. Faktem jest ze opracowali, i to wystarczajaco wczesnie, plan wyposazenia wojska w sprzet lacznosci czesto bardzo dalekowzroczny. Opracowali rowniez w zupelnosci zadawalajace a w wielu wypadkach czolujace na skale swiatowa rozwiazania techniczne i wdrozyli w produkcje. Zaprojektowano i wdrozono do produkcji cala game srodkow pomocniczych - wozy, samochody, przyczepy, narzedzia etc zapewniajace efektowne wykorzystanie sprzetu. Szwanki wykazywaly glownie te produkty ktore zalezaly od innych resortow (np naboje swietlne i dymne). Niestety nasi naczelni decydenci slepo wiezyli ze przyszla wojne bedzie mozna efektywnie prowadzic masami uzbrojonymi w karabiny i w to ladowano gros forsy. Przy srodkach finansowych ktorymi WL dysponowalo, modernizacja mogla postepowac z szybkoscia ktora postepowala. Biorac pod uwage stan rzeczy w 1935, i tak zrobiono zaskakujaco duzo w ostatnie 4 lata przed wojna.
41pp Napisano 15 Luty 2011 Napisano 15 Luty 2011 Pozwolę się nie zgodzić, ustalenie fal umownych" to nie są milionowe wydatki, tylko bałagaństwo.Trochę OT, ale skoro już jesteśmy przy" łączności; to czy odbiorniki ROD i klon" miały obsadę, trzy sztuki, OD4,-f-my Triotron, czy OD407a/b, Oxytrona, lub może, A415, B436 Philipsa. Od prawie czterdziestu lat, sprawa ta nie daje mi spokoju.Pozdrawiam.gmv
woytas Napisano 15 Luty 2011 Napisano 15 Luty 2011 Dostalem sugestie by zmienic tytul watku na Łączność II RP" - jesli Panowie nie beda mieli nic przeciwko to to zrobie.
41pp Napisano 15 Luty 2011 Napisano 15 Luty 2011 Panie Krzysztofie: napisał Pan ....Opracowali rowniez w zupelnosci zadawalajace a w wielu wypadkach czolujace na skale swiatowa rozwiazania techniczne i wdrozyli w produkcje.....Otóż nie ma zgody, wyprzedziliśmy achód", o co najmniej dekadę. Niech Pan popatrzy co woził Cant, lub U-boot waffen, o Thorn EB nie wspomnę. Angole też nie byli lepsi, tkwili w technologii radiostacji z Tytanica".gmvNie mam i popieram!
41pp Napisano 15 Luty 2011 Napisano 15 Luty 2011 ....Nie mam i popieram!......To oczywiście był apel, do Moda W.
Gebhardt Napisano 15 Luty 2011 Napisano 15 Luty 2011 No tak ale lacznosc to nie tylko radia :-)Trzeba wiec rowniez przyznac ze okreslenie 'zadawalajace' w stosunku do np telegrafii w WP jest moze nawet nieco na wyrost :( .
trufelhunter Napisano 15 Luty 2011 Napisano 15 Luty 2011 Fiku,Trochę późno, bo dzień obfitował w posty, ale dziękuję za dwa spostrzeżenia zawarte w Twoich postach:1) Fale umowne" to właśnie to na co chciałem by zwrócono uwagę. Nie jestem specjalistą w tej dziedzinie i nie chciałem się wygłupić, cieszę się jednak ze zostało to wychwycone jako problem w komunikacji pomiędzy RKB/c a N2. Co też potwierdza posiadany przeze mnie dokument z 2 DPPanc.2) Zdanie z WT o przeznaczeniu RKB/c dla komunikacji z innemi rodzajami broni wyposażonemi w radjostacje N2". Jeśli nomenklatura N/W/S zastąpiła nomenklaturę RK to dlaczego nawet w WT obie nomenklatury były stosowane równolegle? Jak mój szanowny kolega Paweł zauważył być może chodziło o odróżnienie starego" sprzętu do owego", tj zamawianego już zgodnie z nowa nomenklaturą i generalnie należącego technicznie do innej generacji (no, z ta generacją to może przesadziłem).pozdrawiam,Mariusz
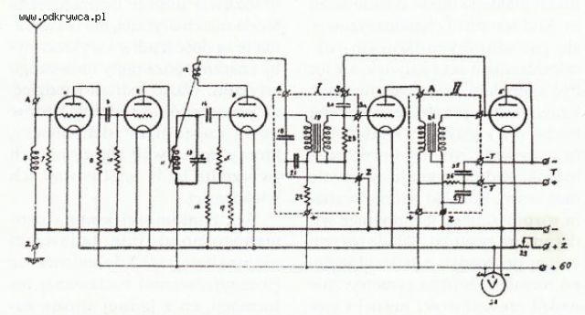
fiku Napisano 15 Luty 2011 Napisano 15 Luty 2011 Nowy ROD określany w WT jako wz.33 a w instrukcji łączności jako wz.O.P.1. Na mojej stronie jest schemat który wziąłem z jakiegoś wczesnego WT. Tu załączam schemat z instrukcji łączności która niedawno wpadła mi w ręce. Jak widać dodano dwa dodatkowe stopnie, pewnikiem dla poprawienia czułości (oj lampy nie są moją mocną stroną, wychowałem się już na układach scalonych i tranzystorach). Lampy to 5 sztuk A415 Philipsa.
fiku Napisano 15 Luty 2011 Napisano 15 Luty 2011 Co do tematu to rzeczywiście z radiostacji czołgowych rozwinął się w Radiostacje IIRP" i może na taki go można zmienić.
41pp Napisano 15 Luty 2011 Napisano 15 Luty 2011 A415 Philips, dzięki, kamień spadł mi z serca, spadając na nogę, żart"! Czyli była by to ajnowsza wersja"?Byłem na Twojej stronie, ale jestem upierdliwy" i drążę temat.Wybacz.gmv VY73
41pp Napisano 15 Luty 2011 Napisano 15 Luty 2011 Dzięki Modom, za ewolucyjną czujność",/zmiana nazwy/, moje powiedzenie że, dopływamy do portu, było jednak przedwczesne, na razie stoimy" na redzie. Ale, powoli się wszystko wyjaśni!ROD-a mamy prawie z głowy.Może teraz powrócimy do W1 i coś agrabimy"?gmv
Rekomendowane odpowiedzi
Temat został przeniesiony do archiwum
Ten temat przebywa obecnie w archiwum. Dodawanie nowych odpowiedzi zostało zablokowane.