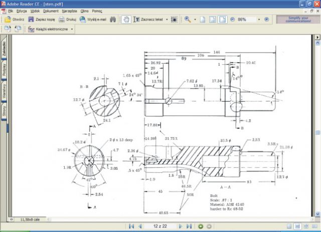
Partyzant.pk Napisano 1 Marzec 2005 Autor Napisano 1 Marzec 2005 Chcę wykonać w domu replikę angielskiego pistoletu maszynowego Sten Mk II. Szukam dokładnych rysunków z rozrysowanymi poszczególnymi częściami tego pistoletu maszynowego.
Kopi Napisano 1 Marzec 2005 Napisano 1 Marzec 2005 Witam.http://www.biggerhammer.net/manuals .PozdrawiamKopi
Mecenas Napisano 1 Marzec 2005 Napisano 1 Marzec 2005 Na dobrą sprawę wystarczy zeszyt TBiU, są też do kupienia na Allegro plany na CD. Wystarczy poszukać. Wierz mi, że da się ich podstawie zrobić dobrą replikę.
idiota Napisano 3 Marzec 2005 Napisano 3 Marzec 2005 Witam.Jestem w posiadaniu :)Oddam gratis w zamian za info dotyczace problemów w trakcie rekonstrukcji. Po prostu nie chce uczyc sie na wlasnych bledach :)mojwe gg: 7016053
Partyzant.pk Napisano 4 Marzec 2005 Autor Napisano 4 Marzec 2005 Zeszyt TBiU-mam,Do idiota-możesz mi to przesłać na moją skrzynkę?Na pewno, na bieżąco będę Cię informował o postępach w pracy(może założę też forum o tym...)
powstaniec 1908 Napisano 4 Marzec 2005 Napisano 4 Marzec 2005 Czołem. Panie idiota - prosze podać namiary na privjakie Pan ma problemy - prosze o pytania - w miarę możliwości postaram sie jak najszybciej odpowiedzeć - reprezentuje grupę rekonstrukcyjną odtwarzającą Powstanie Warszawskie - namiary na www.reenactingforum.republika.pl z poważaniem ( - ) Andrzej
idiota Napisano 5 Marzec 2005 Napisano 5 Marzec 2005 thunder33@op.plWysle to wam Panowie w poniedzialek z innego kompa. Mam chyba jakiegos wira :( (nie mam polskich znakow i nie moge wysylac zalacznikow nawet przez mozille). A jezeli chodzi o problemy, to najwiekszym jest chyba brak sprzetu :) inne np. czy wytocza mi korpus z monobloku, czy lepiej z rory... A najlepiej ile wyniesie mnie zamowienie elementow w zakladzie slusarskim? :)Pozdro Janusz.
MAB Napisano 5 Marzec 2005 Napisano 5 Marzec 2005 Idiota, jeśli robisz sobie atrapę Stena albo Mausa to może się razem zgramy i będzie łatwiej.Pozdrawiam, MariuszPs. Jeśli możesz to też poproszę o te plany - legion1@op.pl
powstaniec 1908 Napisano 5 Marzec 2005 Napisano 5 Marzec 2005 na korpus tylko rura, cienkościenna (1-2 mm) na pudełko spustów 07-1 mm , na gniazdo magazynka 1,5 mm proponuje użyć blachy stalowej czarnej St0s, St2 (łatwe w obróbce) - części łączyć przez spawanie, kolba z pręta
d2io83k Napisano 5 Marzec 2005 Napisano 5 Marzec 2005 A czy ja tez mogl bym dostac te plany?? bartek_dz@o2.pl z gory bardzo dziekuje.
idiota Napisano 5 Marzec 2005 Napisano 5 Marzec 2005 Wysle, wysle, tylko w poniedzialek.Na arkuszu z magazynkiem jest blad, ale to chyba nie problem.A moze jest inna mozliwosc... np. wrzucic to na jakas stronke, zeby kazdy mial dostep?Ja narazie wstrzymam sie z produkcja (mam zbyt male zaplecze techniczne)Pozdro
herrmateuss Napisano 5 Marzec 2005 Napisano 5 Marzec 2005 Takie elementy jak magazynek czy kolba lepiej zakupic na allegro bo samodzielna produkcja niest chyba warta zachodu.Ach czy niewie ktos zas czy wersja stena z pionowym magazynkiem miała inny zamek?pozdrawiam
powstaniec 1908 Napisano 6 Marzec 2005 Napisano 6 Marzec 2005 Co do magazynka - zgadzam sie, kolba nie jest tak skomplikowana - poza tym jak ktoś ma kase to niech kupuje.W Błyskawicy zamek różnił sie mocowaniem rączki zamkowej (zamek obrócony o 90 stopni). Była też wersja Błyskawicy z komorą zamkową i zamkiem o przekroju kwadratowym - patrz fotografie na stronie Whatfora- zdjęcia powstańców z batalionu Gustaw)
idiota Napisano 7 Marzec 2005 Napisano 7 Marzec 2005 Wyslalem do:Partyzant.pkMABd2io83kProsze do nich kierowac prosby o plany, ja mam problemy z wysylaniem zalacznikow :(
MAB Napisano 7 Marzec 2005 Napisano 7 Marzec 2005 Dzięki.Do mnie doszły bez problemu.Podajcie swoje maile to powysyłam.Pozdrawiam, MAB
Partyzant.pk Napisano 17 Marzec 2005 Autor Napisano 17 Marzec 2005 do idiota>Dzięki za plany :)))))))))))))))))))))))
Partyzant.pk Napisano 9 Wrzesień 2005 Autor Napisano 9 Wrzesień 2005 Mam już 2 lufy i kolbę (do wyczyszczenia).
tombak Napisano 16 Wrzesień 2005 Napisano 16 Wrzesień 2005 partyzant mółbyś mi podesłać na maila te plany stena? pisałem do ciebie maila. mamy u siebie w grajewie grupe rekonstrukcyjną z września 1939 i chcemy pobawić się w partyzantów, dlategomusimy zrobić parę stenów. wyślij te plany. jak możeszpozdrawiam
kruger Napisano 16 Wrzesień 2005 Napisano 16 Wrzesień 2005 ma ktoś może takie rysunki do pepeszy jakiegoś mosina lub/i krótkiego mausera. Proszę, jeżeli jest to możliwe o wysłanie mi rysunków stena na ten e-mail krzysiek.krukar@wp.pl
Australian Infantryman Napisano 8 Styczeń 2006 Napisano 8 Styczeń 2006 Mam jakieś blueprinty PPSh, Sten, Liberator, i M1911. Nie wszystkie są komplatne, bo ściągane z różnych stron za free. Mogę kogoś z tej strony uszczęśliwić. Czy wiecie coś o odlewce/deko Enfielda. Czego używają nasi paratroopersi z reko 1SBS?
Ricardo68 Napisano 9 Styczeń 2006 Napisano 9 Styczeń 2006 Nie ma odlewów enfieldów, ostatnio Denix wypuścił replikę tego kb ale w wersji Mk III, czyli jeśli chcesz do postaci spadochroniarza, to ci się nie przyda. Pozostaje tylko deko
Mike Napisano 9 Styczeń 2006 Napisano 9 Styczeń 2006 W Wielkiej Brytanii firma Relics z Hailsham sprzedaje kopie karabinów Lee Enfield, zarówno No. 1 Mk. III SMLE, jak i No. 4 Mk. I.Pozdrawiam,Michał Różyński Mike"S.R.H. ODWACH
Rekomendowane odpowiedzi
Temat został przeniesiony do archiwum
Ten temat przebywa obecnie w archiwum. Dodawanie nowych odpowiedzi zostało zablokowane.